Комфорт в автомобиле во многом зависит от качества инженерных решений, отвечающих за поддержание оптимальной температуры внутри транспортного средства. Важную роль в этом процессе играют различные компоненты, которые взаимосвязаны и обеспечивают нужный уровень тепла в любое время года. Управление климата требует продуманного подхода, особенно в условиях переменчивой погоды.
Основное внимание стоит уделить элементам, отвечающим за распределение воздуха и его подачу в соответствующие зоны. Разработка таких решений требует не только технического подхода, но и тщательной проработки каждого элемента, чтобы достичь максимальной эффективности. Элементы системы должны быть способны обеспечивать тепло в различных условиях эксплуатации.
При рассмотрении устройства одного из популярных автомобилей на рынке, можно увидеть определенные особенности и конфигурацию элементов, которые помогают добиться комфорта в любое время. Важно понимать, как взаимодействуют различные составляющие, чтобы обеспечить надежную работу и долговечность в различных условиях. Это позволит сделать вождение более приятным и безопасным.
- Общее устройство системы обогрева
- Компоненты обогрева интерьера
- Работа теплообменника в автомобиле
- Роль вентилятора в обогреве
- Электронная система управления температурой
- Основные неисправности обогрева
- Замена антифриза в системе
- Профилактика и обслуживание отопительного оборудования
- Сравнение с другими моделями
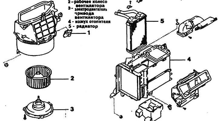
Общее устройство системы обогрева

В каждом автомобиле присутствует комплекс, предназначенный для поддержания комфортной температуры в кабине. Этот механизм обрабатывает тепло, выработанное двигателем, и направляет его внутрь, тем самым создавая благоприятные условия для водителя и пассажиров в холодное время года.
Основными элементами данного комплекса являются радиатор, вентилятор, управляющие элементы и теплообменники. Радиатор отвечает за передачу тепла от охлаждающей жидкости, которая циркулирует в системе, а вентилятор создает поток воздуха, обеспечивая его движение через обогревательные элементы. Управляющие устройства позволяют пользователю контролировать уровень температуры и режим работы, отвечая за комфорт в интерьере транспортного средства.
Дополнительно в состав комплекса входят различные датчики и клапаны, которые автоматически регулируют поток охлаждающей жидкости и воздух, что способствует эффективному функционированию и повышению эксплуатационных характеристик. Это взаимодействие всех компонентов обеспечивает надежную работу и комфортные условия в автомобиле при любых погодных условиях.
Компоненты обогрева интерьера
Обогрев автомобиля включает в себя несколько ключевых элементов, каждый из которых выполняет свою уникальную функцию, обеспечивая комфортные условия для пассажиров в холодное время года. Правильная работа всех этих компонентов существенно влияет на эффективность циркуляции теплого воздуха и общую производительность системы.
Среди основных элементов, оказывающих воздействие на прогрев пространства, выделяются радиатор, вентилятор, термостат и другие вспомогательные устройства. В этом разделе рассмотрим их назначение и взаимодействие.
| Компонент | Функция |
|---|---|
| Радиатор | Передает тепло от охлаждающей жидкости в салон через воздух. |
| Вентилятор | Обеспечивает приток воздуха к радиатору и его распределение по пространству. |
| Термостат | Регулирует температуру охлаждающей жидкости, поддерживая оптимальный режим работы. |
| Клапан | Управляет потоком жидкости к радиатору, позволяя поддерживать необходимую степень нагрева. |
| Проводка и датчики | Контролируют работу всех компонентов и обеспечивают их синхронное взаимодействие. |
Слаженное функционирование этих деталей создает эффективную структуру, позволяющую обеспечить нужный уровень комфорта для всех находящихся в автомобиле. Правильное обслуживание и периодическая проверка этих элементов помогают избежать неисправностей и поддерживать оптимальные условия в любое время года.
Работа теплообменника в автомобиле
Теплообменник играет ключевую роль в процессе регулирования температуры внутри транспортного средства. Он обеспечивает передачу тепла от одного рабочего элемента к другому, создавая комфортную атмосферу для пассажиров и водителя. В данном разделе рассмотрим, как именно функционирует данный компонент.
Основные принципы работы теплообменника заключаются в следующем:
- Принцип конвекции: Жидкость, нагретая в двигателе, поступает в теплообменник. При этом происходит передача тепловой энергии к воздуху, который затем подается в салон.
- Температурное равновесие: Когда горячая жидкость проходит через теплообменник, её температура снижается, а воздух, проходя через него, нагревается, что способствует созданию комфортного климата.
- Цикличность работы: После отдачи тепла охлажденная жидкость возвращается к двигателю для повторного нагрева, обеспечивая постоянный цикл передачи энергии.
Ключевые компоненты, влияющие на эффективность теплообменника, включают:
- Материалы: Использование высококачественных материалов для изготовления теплообменника благоприятно сказывается на его работоспособности.
- Производительность системы: Мощность и размер теплообменника определяют скорость нагрева воздуха в кабине.
- Качество обслуживания: Регулярные проверки и профилактика позволяют избежать накопления загрязнений, которые могут негативно сказаться на его работе.
Эффективность теплообменника напрямую влияет на комфорт пользователей. Правильная его работа обеспечивает не только тепло, но и безопасность в холодные месяцы, что делает его незаменимым элементом в конструкции транспортного средства.
Роль вентилятора в обогреве
При включении отопительной установки вентилятор запускается, и начинает втягивать воздух из пространства под панелью. Затем он проходит через радиатор, где нагревается от горячей охлаждающей жидкости. Конечный поток теплого воздуха затем равномерно распределяется по всему внутреннему пространству, что способствует быстрому прогреву.
Особое внимание стоит уделить регулировке скорости работы вентилятора, которая позволяет контролировать интенсивность обогрева. В зависимости от внешних условий и предпочтений водителя, можно выбрать оптимальный режим, что значительно улучшает удобство использования. Так, в сильные морозы целесообразно увеличивать скорость потока, в то время как в умеренных условиях достаточно поддерживать низкую скорость.
Эффективный вентилятор также способен предотвращать запотевание стекол, так как он обеспечивает циркуляцию воздуха и его осушение. Это немаловажно для обеспечения видимости и безопасности на дороге. Таким образом, правильная работа вентиляторного механизма является ключевым фактором для комфорта и безопасности пассажиров в холодное время года.
Электронная система управления температурой
Электронный контроль терморегуляции в автомобиле обеспечивает комфортные условия для пассажиров, автоматически поддерживая заданные параметры окружающей среды. Эта высокотехнологичная система, внедренная в современных автомобилях, анализирует данные от различных датчиков, что позволяет точно регулировать климат внутри транспортного средства.
Основной компонент такой системы – это блок управления, который обрабатывает информацию о текущей температуре и влажности. Датчики, размещенные в разных зонах, постоянно передают сигналы о текущем состоянии, что дает возможность системе реагировать на изменения атмосферы. При необходимости, блок управления подает команды на работу вентиляторов и теплообменников, обеспечивая равномерное распределение теплого или холодного воздуха по всему пространству.
Управление может осуществляться как вручную через панель, так и в автоматическом режиме, что позволяет более эффективно адаптироваться к изменяющимся условиям. Установленные программы и режимы дают возможность индивидуальной настройки комфорта для водителя и пассажиров, учитывая личные предпочтения.
Технология автоматического климата также способствует экономии энергии, поскольку система адаптируется к внешним условиям и оптимизирует расход топлива, поддерживая желаемую температуру без ненужных затрат. Такой подход обеспечивает не только удобство, но и высокую эффективность работы климат-контроля, что в свою очередь улучшает общее качество поездки.
Основные неисправности обогрева
Неисправности в работе системы климат-контроля могут появиться из-за различных факторов, влияющих на его эффективность и надежность. Понимание распространенных проблем поможет быстро установить причину неисправности и принять меры для ее устранения. К основным неисправностям относятся недостаточная подача теплого воздуха, перегрев двигателя, а также шумы и вибрации при работе вентилятора.
Одной из самых распространенных проблем является отсутствие тепла в салоне автомобиля. Это может быть итогом забитого радиатора, проблемы с термостатом или наличием воздуха в контуре, что препятствует нормальному движению охлаждающей жидкости. Заметив, что из воздуховодов выходит холодный воздух, важно проверить состояние упомянутых компонентов.
Другой частой неисправностью становится неравномерный обогрев. Это может быть связано с поврежденными заслонками, которые не корректно регулируют подачу горячего воздуха в различные зоны, а также с проблемами в электронных управляющих системах, отвечающих за температуру. Правильная диагностика поможет определить точное место сбоя.
Также можно столкнуться с такими неприятностями, как неприятные запахи, исходящие от вентилятора, или стуки и скрипы в его работе. Эти явления обычно сигнализируют о необходимости обследования фильтров и других элементов, так как загрязнения могут вызывать не только дискомфорт, но и ухудшение работы устройства.
Своевременное выявление и устранение неисправностей позволит поддерживать оптимальные комфортные условия внутри автомобиля и продлить срок службы всех компонентов климатической установки.
Замена антифриза в системе
Прежде чем приступать к замене жидкости, нужно подготовиться: убедиться в наличии необходимых инструментов и материалов, а также выбрать подходящее место для работы, чтобы избежать загрязнения окружающей среды. Важно использовать именно тот продукт, который рекомендован производителем, поскольку различные марки имеют свои свойства, которые могут повлиять на функциональность.
При выполнении замены следует следовать установленной последовательности действий. Сначала нужно слить старую охлаждающую жидкость, что вполне реально сделать с помощью сливного крана радиатора или с помощью специальной емкости. После удаления остатка жидкости важно промыть систему, чтобы избавиться от возможных загрязнений и остатков старого антифриза.
Затем осуществляется заправка новой жидкостью, делая это медленно, чтобы избежать образования пузырьков воздуха. После завершения заливки необходимо проверить уровень жидкости в расширительном бачке и, при необходимости, добавить ещё. Завершив процесс, стоит провести тест-драйв, чтобы убедиться в отсутствии утечек и правильной работе всех компонентов.
Регулярная проверка состояния охлаждающей жидкости и её замена помогут избежать серьезных неисправностей, продлевая срок службы двигателя и связанных с ним узлов. Это позволит обеспечивать безопасную и комфортную эксплуатацию автомобиля в любых условиях.
Профилактика и обслуживание отопительного оборудования
Регулярное внимание к охлаждающей системе автомобиля играет ключевую роль в поддержании комфорта во время поездок и предотвращении возможных поломок. Правильные процедуры обслуживания помогут выявить потенциальные проблемы на ранних стадиях и продлить срок службы всех элементов обогрева. Это особенно важно в условиях несовершенных погодных условий, где эффективность комфорта становится особенно актуальной.
Первоначально следует обратить внимание на уровень охлаждающей жидкости. Низкий уровень может привести к перегреву или недостаточному отоплению в салоне. Проверка и своевременная доливка необходимого антифриза обеспечит нормальную работу нагревателя и других компонентов, испытывающих нагрузку при изменениях температуры.
Регулярная проверка и очистка радиатора также крайне важна. Загрязнение либо коррозия могут нарушить теплообменные процессы, что отрицательно скажется на общем функционировании системы. Рекомендуется периодически снимать радиатор для его диагностики и проведения очистки.
Не менее важным является состояние вентилятора и его механизмов. Проверка на наличие посторонних шумов, а также исправного функционирования включает в себя как визуальный осмотр, так и функциональные тесты. Это поможет избежать ситуаций, когда отсутствие обдува влечет за собой дискомфорт в путешествии.
Стоит также обратить внимание на управляющую электронику. Периодические проверки на наличие ошибок и сбоев помогут гарантировать точность регулировки температуры внутри автомобиля. Выявление и устранение неполадок в электрических компонентах предотвратит дальнейшие проблемы и обеспечит надежную эксплуатацию всех систем.
Завершая профилактику, стоит учесть замену элементов, чаще всего подверженных износу–подушек, фильтров и уплотнителей. Это не займет много времени, но поможет избежать серьезных затрат на ремонт, повысив безопасность и комфорт при вождении.
Сравнение с другими моделями
Элементы обогрева и кондиционирования воздуха играют важную роль в комфорте пассажиров, и каждая модель автомобиля имеет свои особенности их реализации. Сравнение различных вариантов позволяет выявить преимущества и недостатки конкретной конструкции и улучшить изучение механизма функционирования.
Рассмотрим характеристики обогрева, применимые к ряду моделей марки:
- Corolla: здесь акцент сделан на компактность и экономичность. Система обеспечивает быстрый обогрев, что особенно актуально в условиях городской эксплуатации.
- Camry: в отличие от более маломощных вариантов, в этом автомобиле используется более мощный обогреватель с улучшенной эффективностью, что позволяет быстро достигать комфортной температуры в зимний период.
- RAV4: внедорожник предлагает уникальные решения для нейтрализации холодного воздуха благодаря повышенной мощности вентилятора и специальной геометрии воздуховодов, что улучшает распределение тепла.
При сравнении технологий, можно выделить несколько значимых аспектов:
- Управление температурой: В некоторых автомобилях используются более сложные электронные системы, позволяющие точнее регулировать климат внутри кабины, чем в других моделях с более простыми механизмами.
- Энергоэффективность: Разные решения в области обогрева могут влиять на расход топлива, что является важным критерием для многих водителей.
- Создание комфортного климата: Некоторые автомобили оборудованы дополнительными функциями, такими как подогрев сидений или зеркал, что также может играть роль в обеспечении комфорта.
Таким образом, каждое авто предлагает уникальные характеристики, позволяя водителям выбирать наиболее подходящий вариант в зависимости от индивидуальных предпочтений и условий эксплуатации. Сравнительный анализ способствует более глубокому пониманию работы механизмов и помогает пользователям в выборе более оптимального решения для своих нужд.







