Для успешного выполнения замены приводного элемента, рекомендуется подготовить все необходимое заранее: новый компонент, набор инструментов (ключи и рожковые ключи), а также установочный гайковерт. Подготовка позволит сэкономить время и усилия во время работы.
Сначала отключите аккумулятор, чтобы избежать короткого замыкания и защитить электрическую систему автомобиля. После этого поднимите переднюю часть транспортного средства с помощью домкрата и установите подставки для надежности.
Далее требуется снять защитный кожух, чтобы получить доступ к элементам привода. Освободите фиксирующие болты и аккуратно извлеките защиту. Убедитесь, что освещение в моторном отсеке достаточное, это значительно упростит выполнение работ.
Теперь ослабьте натяжитель, который удерживает элемент на месте. После этого аккуратно снимите старый компонент, избегая повреждений остальных частей двигателя. Продуктивно очистите место установки, чтобы исключить накопление грязи и мусора.
Установите новый приводной элемент, следуя указаниям производителя для правильного направления установки. После этого проверьте натяжение, чтобы убедиться в отсутствии слишком сильного натяжения или ослабления. Убедитесь, что все компоненты установлены на свои места и надежно зафиксированы.
Завершив все работы, соберите в обратном порядке все снятые детали, подключите аккумулятор и проведите пробный запуск двигателя. Убедитесь, что нет посторонних звуков и вибраций, что сигнализирует об успешной замене.
- Подготовка к замене приводного элемента
- Инструменты и материалы, необходимые для работы
- Определение состояния старого элемента
- Снятие защитного кожуха
- Отсоединение аккумулятора перед работой
- Снятие старого элемента
- Проверка натяжителя и роликов перед установкой нового
- Установка нового ремня генератора
- Регулировка натяжения
- Тестирование работы после установки
Подготовка к замене приводного элемента
Перед началом работы убедитесь, что у вас есть все необходимые инструменты: гаечные ключи, трещотка, удлинители и натяжители. Также подготовьте новый приводной компонент и проверяйте его на соответствие оригиналу.
Отключите аккумулятор, чтобы избежать случайного короткого замыкания во время работы. Уберите лишние предметы из моторного отсека для удобства доступа.
Для лучшей видимости и комфорта используйте подъемник или эстакаду. Не забудьте установить фиксирующие элементы, чтобы ваша машина не сдвинулась во время операции.
Изучите схему расположения элементов навесного оборудования. Определите крепежные узлы и компоненты, которые нужно будет снять для доступа к требуемой зоне. Запомните или сделайте фотографии расположения всех деталей, чтобы облегчить процесс обратной сборки.
При наличии ослабленных или поврежденных частей, таких как натяжители или ролики, рекомендуется предварительно заменить их, чтобы избежать повторных работ вскоре после установки нового элемента. Протестируйте состояние системы и убедитесь, что все функционирует исправно перед установкой нового компонента.
Инструменты и материалы, необходимые для работы
Для выполнения описанной процедуры вам понадобятся следующие инструменты:
- Набор ключей с головками (торцевые и рожковые) разных размером
- Набор отверток (плоская и крестовая)
- Ключ с моментом для правильной затяжки элементов
- Плоскогубцы
- Трусики для работы (если требуется)
- Съемник для натяжителей
- Ключ для натяжителя (если предусмотрено конструкцией)
Материалы, которые потребуются:
- Новый приводной (передвижной) элемент
- Смазка для осей и подшипников (если необходимо)
Рекомендуется также иметь под рукой чистую тряпку для удаления загрязнений и проверку всех узлов перед установкой нового элемента. Желательно обеспечить хорошее освещение рабочего пространства для удобства и безопасности работы.
Определение состояния старого элемента
При осмотре старого компонента следует обратить внимание на его внешнее состояние. Проверьте наличие трещин, износа, расслоения или разрушений. Если видны глубокие бороздки или повреждения, это сигнал о необходимости замены.
Неравномерный износ также может быть признаком проблемы. Если одна сторона кажется более изношенной, это указывает на неправильную установку или наличие проблем с натяжением.
При пальпации обратите внимание на упругость. Если элемент выглядит слишком мягким или растянутым, это также является поводом для замены. Звук при вращении — еще один важный индикатор. Возможно, вы услышите скрип или гул, что указывает на ухудшение состояния.
Температурные изменения могут вызывать трещины на поверхности, поэтому учитывайте климатические условия эксплуатации. Регулярные проверки помогут избежать снижения производительности и преждевременных поломок.
Снятие защитного кожуха

Для доступа к компонентам электрооборудования необходимо удалить защитный кожух. Начните с отсоединения аккумулятора. Это предотвратит случайные короткие замыкания. Затем перейдите к снятию защитного элемента.
Используйте ключ на 10 мм для откручивания болтов, удерживающих кожух. Обычно их несколько, расположены по периметру. Обратите внимание на расположение болтов, так как они могут отличаться по длине.
После снятия всех болтов аккуратно извлеките кожух. Если он прочно сидит на месте, примените легкое усилие, чтобы избежать повреждений. Убедитесь, что под кожухом не осталось лишних деталей или крепежа.
Для предотвращения загрязнения и повреждений рекомендуется хранить кожух в чистом месте до завершения всех работ. Обратитесь к инструкции по эксплуатации вашего автомобиля для дополнительных рекомендаций по демонтажу.
Отсоединение аккумулятора перед работой
Перед началом работы по демонтажу комплекта, необходимо отключить аккумулятор. Это предотвратит случайные короткие замыкания и защитит электронные компоненты автомобиля.
- Найдите крышку аккумулятора. Обычно она расположена в моторном отсеке с правой стороны.
- Откройте крышку и осмотрите клеммы. Определите положительный и отрицательный контакты.
- С помощью подходящего ключа ослабьте гайку на отрицательной клемме (черной) и аккуратно снимите провод. Сначала отсоединяйте минус.
- Перейдите к положительной клемме (красной). Ослабьте гайку и снимите провод.
- Убедитесь, что провода не касаются друг друга и не могут замкнуться.
- При необходимости закройте клеммы изоляционной лентой, чтобы избежать случайного контакта.
После отсоединения аккумулятора можно безопасно производить дальнейшие операции.
Снятие старого элемента
Прежде всего, необходимо ослабить натяжитель для освобождения старого элемента от шкива.
- Используйте подходящий ключ для вращения натяжителя против часовой стрелки.
- После ослабления натяжителя снимите деталь с шкива вала и других блоков.
Следующий шаг — проверка на наличие повреждений. Это позволит избежать установки изношенного компонента.
- Осмотрите внешний вид: трещины, износ или потертости.
- Проверьте состояние зубьев на наличие отколов или деформаций.
Чтобы облегчить процесс снятия, учтите порядок снятия с разных шкивов. Такой подход упростит установку нового элемента.
После завершения снятия удерживайте деталь в чистоте. Это важно для дальнейшей работы и установки нового компонента.
Проверка натяжителя и роликов перед установкой нового
Обеспечьте надежное функционирование системы, проверяя натяжитель и все ролики перед установкой нового элемента. Начните с визуального осмотра на предмет износа и повреждений. Любые трещины или деформации указывают на необходимость замены.
Проверьте состояние подшипников роликов, вращая их вручную. Они должны поворачиваться легко и без заеданий. Если вы заметили шум или сопротивление, это знак их изношенности.
Внимательно осмотрите натяжитель. При его проверке обращайте внимание на пружину. Если пружина утратила упругость или заметно провисает, настоятельно рекомендуется ее заменить.
Не забудьте проверить любые посадочные места подшипников на наличие загрязнений или коррозии. Очистите поверхности при необходимости, чтобы избежать дальнейших проблем.
Оцените состояние ременного контакта с роликами. Поверхности должны иметь хороший уровень сцепления. Если они гладкие или изношенные, стоит заменить ролики.
После завершения проверки убедитесь, что все детали вплотную прилегают и готовы к установке нового устройства. Это позволит избежать лишних проблем в будущем.
Установка нового ремня генератора
Закрепите новый компонент на ведущем шкиве, следуя схемам, представленным в руководстве пользователя автомобиля. Помните о направлении натяжения, оно должно совпадать с установленным ранее положением.
После установки нового элемента, проверьте его расположение на шкивах. Каждый шкив должен быть ровно совмещен, без перекосов и зазоров. Приложите силу для проверки натяжки. Оптимально использовать специальный инструмент для измерения натяжения или, если его нет, проверяйте натяжение вручную, отводя ремень рукой.
Запустите двигатель и наблюдайте за функционированием нового узла. Убедитесь, что нет посторонних шумов и трений. Если обнаружите какие-либо проблемы, остановите двигатель и проверьте установленные детали.
При необходимости, отрегулируйте натяжение. Каждый шкив должен свободно вращаться, не создавая усилий или препятствий. После успешной проверки все соединения, гайки и болты должны быть зафиксированы должным образом.
В завершение, установите защитный кожух и подключите аккумулятор. Убедитесь, что все инструменты убраны с рабочего места. Проверьте еще раз работоспособность системы, чтобы удостовериться в корректной работе нового элемента.
Регулировка натяжения
Натяжение нового элемента должно быть оптимальным. Для проверки натяжения выполните следующий алгоритм: нажмите на элемент в средней его части. Допустимое провисание составляет 5-10 мм. Если провисание больше, следует усилить натяжение.
Для корректировки натяжения используйте специальные ключи для ослабления гайки натяжного устройства. Убедитесь, что натяжное устройство не имеет повреждений, для предотвращения повторных проблем. После регулировки натяжения затяните гайку с необходимым усилием.
После завершения регулировки убедитесь в отсутствии подергиваний или звуков при работе двигателя. Если все сделано правильно, элемент должен работать бесшумно и без вибраций.
Тестирование работы после установки
Необходимо выполнить проверку правильности функционирования нового узла. Начните с визуального осмотра на отсутствие внешних повреждений или неправильной установки. Убедитесь, что детали надежно закреплены и не мешают движущимся частям.
Запустите двигатель и внимательно прослушайте его работу. Прислушайтесь к необычным звукам, которые могут указывать на неправильную настройку или износ других компонентов. Обратите внимание на появление свиста или стуков.
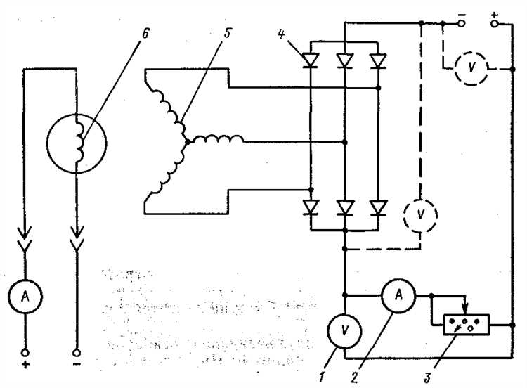
С помощью вольтметра измерьте напряжение на клеммах аккумулятора. В норме оно должно составлять от 13.5 до 14.5 В при работающем двигателе. Это подтвердит, что система зарядки функционирует правильно.
После этих измерений проверьте, как работает новый элемент под нагрузкой. Включите все электроприборы в автомобиле, такие как фары, кондиционер и стереосистема. Напряжение на аккумуляторе не должно опускаться ниже 13 В. Если возникают отклонения, это может указывать на неисправность в системе.
| Параметр | Норма | Описание |
|---|---|---|
| Напряжение при холостом ходе | 13.5 — 14.5 В | Измеряется на клеммах аккумулятора |
| Напряжение под нагрузкой | Не ниже 13 В | При включенных всех приборах |
| Неверный звук | Нет | Никаких свистов, стуков или других аномалий |
Для окончательной проверки проедьте несколько километров, после чего снова замерьте напряжение. Если все показатели в пределах нормы, то установка выполнена корректно, и система работает исправно.







