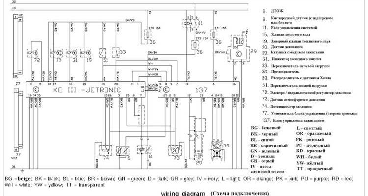
Распиновки
В современных транспортных средствах системы, отвечающие за освещение и сигналы, играют ключевую роль в обеспечении безопасности на дороге.
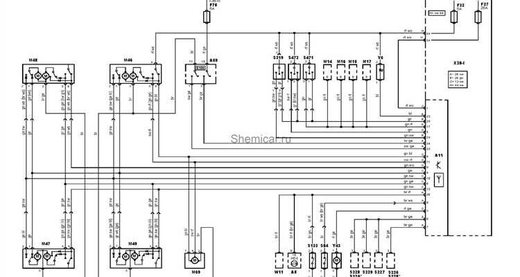
Каждый специалист, работающий с автомобилями марки Dacia, должен обращаться к схеме подключения блока управления, которая представляет собой ключевой элемент
В процессе технического обслуживания автомобилей особое внимание стоит уделять элементам, отвечающим за контроль выхлопных газов. Эти устройства играют
Правильное подключение элементов системы контроля выбросов является важным моментом в обслуживании автомобилей. Эти устройства помогают обеспечивать эффективное
Краткое описание схем подключения электроники ваших автомобилей актуально для всех, кто хочет оптимизировать работу автосистем. Часто требуется наладить
Проверьте схему подключений, чтобы точно определить, какие контакты необходимо соединить для рабочего состояния системы впрыска. Необходимо следовать указаниям
В современном автомобилестроении точное понимание схем исполнения электронных систем играет важнейшую роль. Каждое транспортное средство оснащено множеством
Для корректной работы системы подачи топлива необходимо правильно подключить провода, обеспечивающие функционирование насоса. Исходя из типов автомобилей
Эффективная работа системы освещения автомобиля является важной частью обеспечения безопасности на дороге. Правильное соединение кабелей и соответствующих
В данной статье мы рассмотрим важные аспекты организации электрических соединений в автомобиле, направленные на максимальную эффективность и надежность









